| Fabricante | |
|---|---|
| código fabricante | 0110100035 |
| Material da caixa | |
| Tipo de atuador | |
| Contatos | |
| Corrente Nominal | |
| Tensão | |
| Grau de Proteção | |
| Entrada do cabo | |
| Limite de temperatura | |
| Peso (kg) |
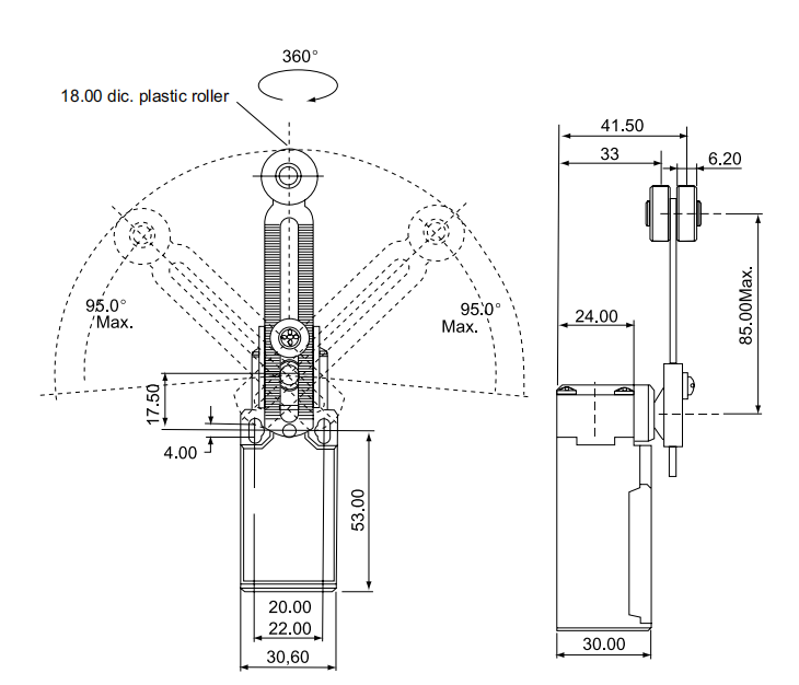
CLS 131 / Chave fim de curso acionamento tipo roldana ajustavel 1NA+1NF 10A/250V IP66
Chave fim de curso, Corpo Plastico, 1NA+1NF, 10A/250V, IP66, prensa cabo M20, acionamento tipo roldana ajustavel
Código: 0110100035
R$52,67
em até 10x sem juros no cartão de crédito
Em estoque
Especificações técnicas
Descrição
Chave Fim de Curso CLS 131 Isotron
A Chave Fim de Curso CLS 131 da Isotron combina precisão e durabilidade na automação industrial. Com caixa plástica resistente e atuador de roldana metálica, oferece operação confiável mesmo em ambientes exigentes. O grau de proteção IP65 garante vedação total contra poeira e jatos de água, preservando a funcionalidade e segurança do equipamento.
Projetada com contatos 1NA/1NF, essa chave suporta corrente nominal de 10A e tensão de até 380V, atendendo aos requisitos de sistemas elétricos industriais. A entrada de cabo M20 facilita a instalação, enquanto o limite de temperatura de operação em 50°C assegura desempenho estável. Com peso reduzido de apenas 0,015 kg, proporciona fácil manuseio e integração compacta.
Produtos relacionados
Promoção chave fim de curso
CLS 101 / Chave fim de curso acionamento tipo pino metalico 1NA+1NF 10A/250V IP66
Código: 0110100096
Promoção chave fim de curso
CWLD2 / Chave fim de curso acionamento tipo pino com roldana 1NA/1NF duplo circuito 10A/250V IP66
Código: 0110100063
Promoção chave fim de curso
CWLD3 / Chave fim de curso acionamento tipo pino com roldana 1NA/1NF duplo circuito 10A/250V IP66
Código: 0110100069
Promoção chave fim de curso
CWLCA2 2 / Chave fim de curso acionamento tipo roldana 1NA/1NF duplo circuito 10A/250V IP66
Código: 0110100060
Promoção chave fim de curso
CZ 3102 / Chave fim de curso vertical acionamento tipo roldana fixa 1NA/1NF 3A/250V IP67
Código: 0110100081
Promoção chave fim de curso
CWLCL / Chave fim de curso acionamento tipo haste regulavel 1NA/1NF duplo circuito 10A/250V IP66
Código: 0110100067
Promoção chave fim de curso
CLS 181 / Chave fim de curso acionamento tipo pino haste flexivel metalica 1NA+1NF 10A/250V IP66
Código: 0110100038
Promoção chave fim de curso
CZ 3110 / Chave fim de curso vertical acionamento tipo pino inclinado 1NA/1NF 3A/250V IP67
Código: 0110100082















